Продажа дома ул. Сапфировая,13-copy

Жилой дом
Пермский край, д. Мартьяново, ул. Сапфировая,13

Двухэтажный дом - 157 кв.м + 48 кв.м (терраса на 3 этаже)

59:32:3470001:729


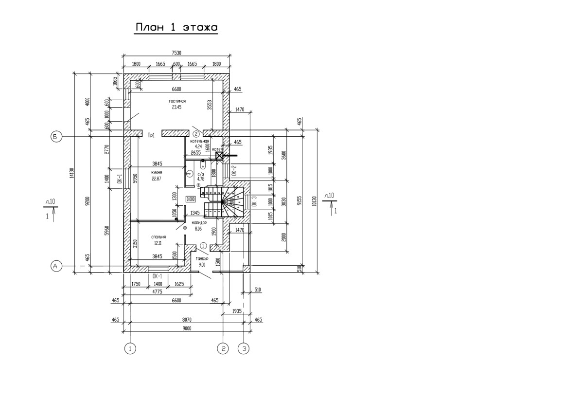
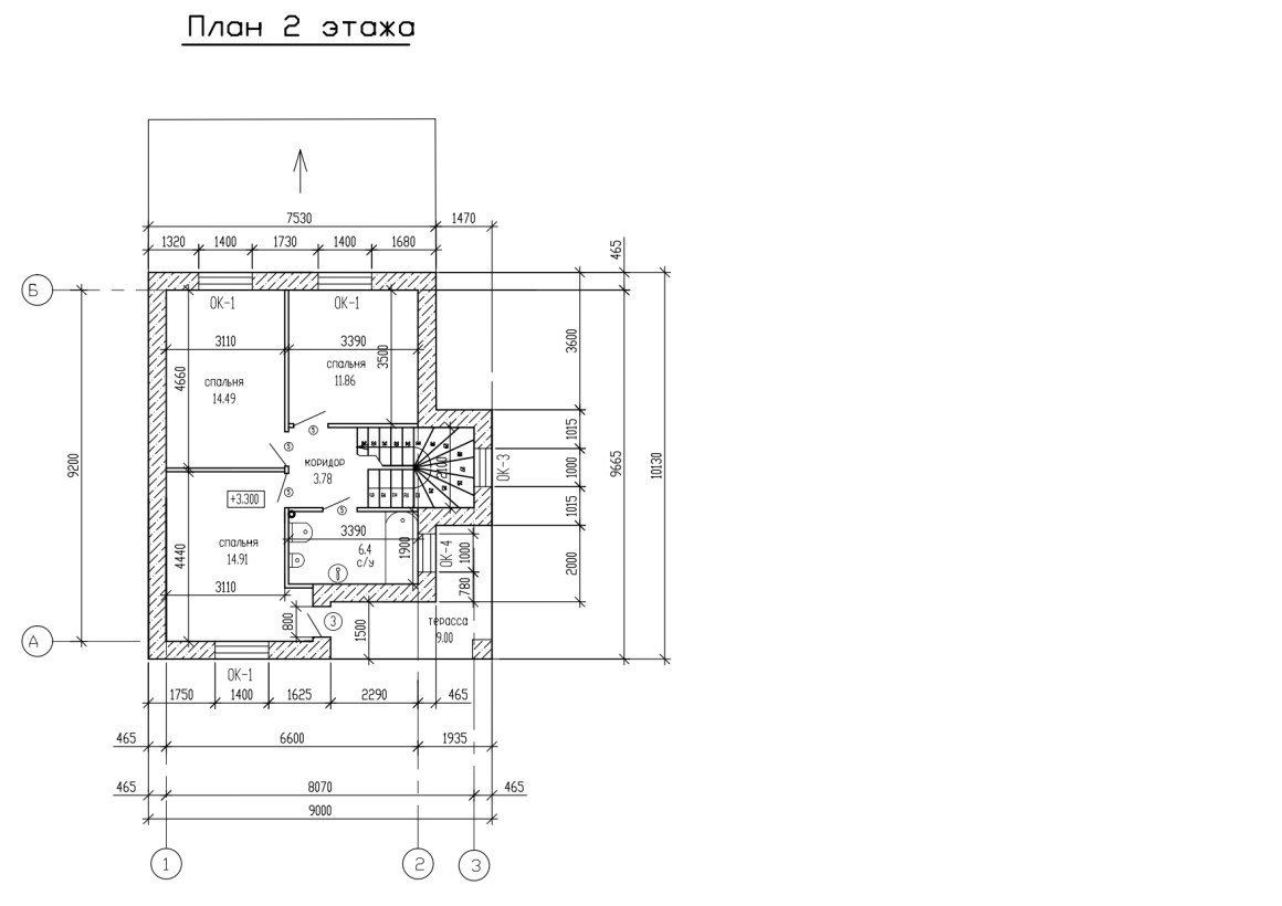
Планировка объекта
Основные характеристики дома
Конструктивное решение
Фундамент

Монолитный ж/б ростверк, буронабивные сваи глубиной 3,5м, с последующей обратной отсыпкой песчано-гравийной смесью и устройством монолитной ж/б плиты

Цоколь

Кирпич одинарный керамический полнотелый М125 «Меакир» Облицован натуральным камнем

Наружные стены

Облицовочный керамический полуторный кирпич КПУ «Меакир» б=120мм

Газобетонный блок «ПЗСП» D500 б=400мм

Армирование кирпичной кладки выполнено сеткой кладочной 50х50х4мм

Внутренние стены

Кирпич керамический полуторный КПУ «Меакир» б=380мм

Перегородки

Кирпич одинарный керамический полнотелый М125 «Меакир»

Перекрытие

Плиты перекрытия железобетонные пустотные

Покрытие, кровля

Деревянные антисептированные, антипирированные конструкции

Утеплитель б=250мм

Мягкая черепица SHINGLAS 

Окна, двери

5-ти камерные оконные конструкции с двойной ламинацией (цвет темная вишня)

Наружные двери стальные антивандальные утепленные с терморазрывом

Инженерные сети и Благоустройство
Водоснабжение

Индивидуальная наружная скважина глубиной 35м с обустройством ж/б колодца

Внутренние сети холодного и горячего водоснабжения выполнены из полиэтиленовых труб  «STOUT»

Канализация

Индивидуальный железобетонный септик

Электроснабжение

Электроснабжение 380В, 15кВт

Внутренние сети электроснабжения выполнены ВВГнг 3х2,5мм, ВВГнг 3х1,5мм

Электроустановочные изделия Schneider Electric

Контур заземления

Газоснабжение

Выполнено техническое присоединение

Заключен договор обслуживания наружных и внутренних сетей газоснабжения, а также оборудования

Отопление

Помещение котельной оборудовано газовым котлом  «Baxi»  с отделкой "под ключ"

Выполнены «теплые полы» из труб ««STOUT»

Система отопления наполнена теплоносителем «Dixis»

В ванных комнатах установлены полотенцесушители

Горячее водоснабжение

Бойлер косвенного нагрева «STOUT» объемом 150л

Интернет

Оптико-волоконные кабельные линии 

Остается заключить договор с провайдером

Благоустройство

Выполнена вертикальная планировка территории

Отмостка 

Забор

Отправьте заявку на экскурсию сейчас